
DIY projects are a great way to teach yourself new skills and add a personalized touch to your living space. One easy project you can tackle on your own is replacing your standard outlets with modern, more versatile receptacles. In this blog, we'll show you easy it is to add USB ports to your outlets!
Replacing a standard in-wall receptacle is easier than you might think, but safety should always be paramount. Before beginning work on your electrical outlet, verify that power to the receptacle has been turned off. You can turn off power by switching your circuit breaker switch to the OFF position or removing the corresponding fuse from your fuse box. Use an outlet tester or plug in a device to make certain there is no power being supplied to the outlet. This blog is a guide and should not replace your specific manufacturer's installation instructions, as every project is different. With that said, let's take a closer look at the components of your receptacle.
1. Wallplate


Wallplates or outlet covers are very common, but perhaps you've never replaced one. Wallplates act as a protective covering for the receptacle, preventing foreign objects from getting into your outlet and causing damage. Typically, most wallplates have a center mounting screw or top-and-bottom screws, while others feature screwless installations. You'll want to ensure that whatever wallplate you're using for your project works with the outlet that you have selected. There are all sorts of wallplate configurations for outlets with switches, rocker paddles, or even nothing at all. For wallplates with mounting screws, simply use a flathead screwdriver to remove or install.
2. Wiring Configuration
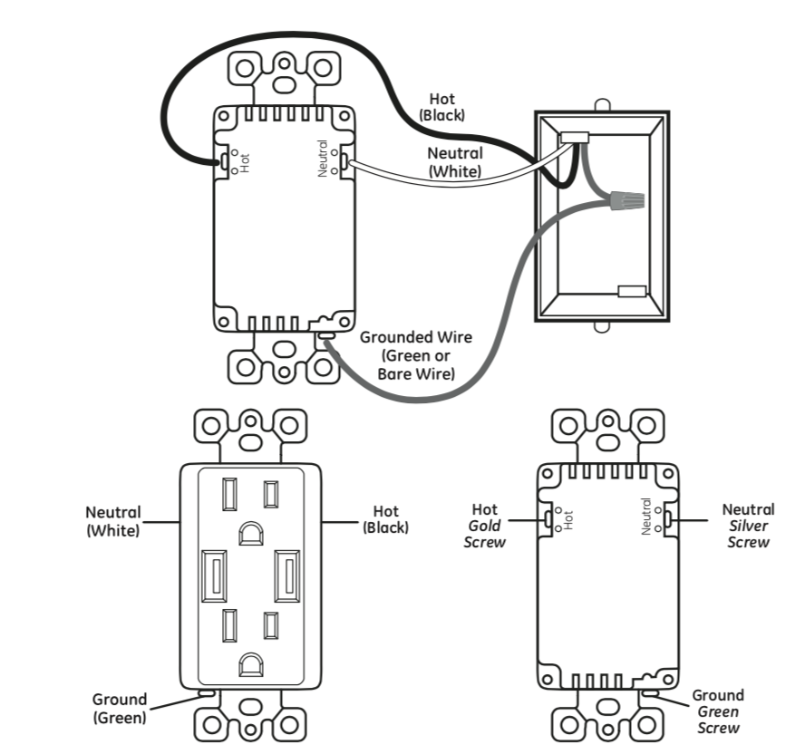
Once the wall plate is removed, unscrew the outlet's mounting screws. There are several different wiring configurations you may run into when updating your receptacle. This guide will cover the most common type (single-pole installation), but if your wiring looks different, please consult an electrician. In a single-pole grounding duplex installation, you will see three wires running from your wall.
- Line (usually black, also known as “hot”): comes in from the electrical panel
- Neutral (usually white): completes the AC circuit and carries excess current to ground
- Ground (bare): carries any inadvertent current away from the circuit in case of a fault
To remove your current outlet, loosen the screw terminals and separate the unit from the wires.
3. How to Strip Wires
In order for the wires to conduct electricity to your outlet, they must be bare and in good condition — this will ensure a proper connection. If the wires coming from your wall are bent or damaged, remove that section using wire cutters and strip a new section of wire. To remove the insulation from your wire, find the corresponding gauge on the end of your wire strippers. If you're using pliers, simply go by feel. Clamp down the wire strippers until the teeth cut through the insulation to the wire. Turn the wire strippers around the wire, then pull the insulation off of the wire. For most applications, you'll need to remove 5/8in. of the insulation, but refer to the specific instructions for your receptacle.
4. How To Connect Wires

Screw Terminals: These are most common types of connections for these installs. Take the stripped end of your wire and wrap it 3/4 of the way around the corresponding screw terminal. Then, using a Phillips-head screwdriver, tighten the terminal screw until snug.
5. Mounting Your Receptacle

You're past the hard stuff! Most receptacles will have included hardware. Simply line up the holes on your receptacle to the holes on your junction box, insert the screw and tighten until snug. Once your receptacle is mounted, cover it with a wallplate.
6. Test It Out
Return power to your outlet at the circuit breaker or fuse box. It is recommended that you test your outlet with a voltage reader before use. If your receptacle is not receiving power, contact an electrician for assistance.
***
If electrical wiring seems scary, this is a great beginner project to try! With a little know-how and some ingenuity, you too can make simple yet effective upgrades to your space!